DETECTION OF GRAPHENE OXIDE IN AQUEOUS SUSPENSION (COMIRNATY (RD1))
OBSERVATIONAL STUDY IN OPTICAL AND ELECTRONIC MICROSCOPY -
Original presentation of the report published in Spanish by Professor Campra on Researchgate.
Interim report - June 28, 2021 by Prof. Dr. Pablo Campra, Madrid1
Abstract
IMPORTANT NOTICE: The following is a purely descriptive, observational, microscopic study of a COVID19 vaccine test sample. Definitive identification of the dominant material in the sample requires further fractionation and specific spectroscopic analysis to characterise the structure of the material.
D. Ricardo Delgado Martín is requesting the RENDERING OF RESEARCH SERVICES to the UAL called
"DETECTION OF GRAPHENE IN AQUEOUS SUSPENSION SAMPLE».
On 10/06/2021, 1 vial, labelled with the following text, was received by courier:
“COMIRNATY. Sterile concentrate. COVID-19 mRNA. 6 doses after dilution. - Discard date/time: PAA165994. LOT/EXP: EY3014 08/2021”
Origin and traceability: unknown.
Conservation status: refrigerated
Storage during the study: refrigerated
Coding of the test sample to be analysed: RD1
Preliminary observations on the problem sample RD1
Description:
Sealed vial, with intact rubber and aluminium cap, capacity 2 ml,
containing a cloudy aqueous suspension of 0,45 ml.RNA extraction and quantification is performed.
Presence of uncharacterised nanometric microbiology visible at 600X under light microscope
Sample processing
Dilution in sterile saline 0.9% (0.45 ml + 1.2 ml)
Fractionation by polarity: 1.2 ml hexane+120 ul sample RD1
Hydrophilic phase extraction
Extraction and quantification of RNA in the sample.
Electron and optical microscopy of aqueous phase
Preliminary analysis: extraction and quantification of RNA in the sample
RNA extraction: Kit: https://www.fishersci.es/shop/products/ambion-purelink-rna-mini-kit-7/10307963?change_lang=true
Quantification of total UV absorbance in a spectrophotometer NanoDropTM https://www.thermofisher.com/order/catalog/product/ND-2000#/ND-2000
Fluorescence specific quantification of Rna: QUBIT2.0. https://www.thermofisher.com/es/es/home/references/newsletters-and-journals/bioprobes-journal- of-cell-biology-applications/bioprobes-issues-2011/bioprobes-64-april-2011/the-qubit-2-0-fluorometer-april- 2011.html2
UV absorption spectrum of the aqueous phase of sample RD1 (NanoDrop equipment)
Absorption maximum of SAMPLE RD1 (260-270 nm)
RNA. Usual maxima at 260 nm. Total concentration estimated by fluorometry QUBIT2.0 : 6 ng/ul.
- The spectrum reveals the presence of a high amount of a substance or substances other than RNA with absorption maxima in the same region, with an estimated total of 747 ng/ul (uncalibrated estimate).
- Reduced graphene oxide (RGO) shows absorption maxima at 270 nm, compatible with the spectra obtained (Thema et al, 2013. Journal of Chemistry ID 150536)
- The absorption maximum obtained DOES NOT ALLOW RULING OUT the presence of graphene in the sample. The minimum amount of RNA detected by QUBIT2.0 only explains a residual percentage of the total UV absorption of the sample.
OBJECTIVE: Microscopic identification of graphene derivatives.
METHODOLOGY:
1. Optical and electron microscopy image acquisition.
2. Comparison with literature images and pattern of reduced graphene oxide.
TRANSMISSION ELECTRON MICROSCOPY (TEM)
Electron microscope JEM-2100Plus
Voltage: 200 kV
Resolution 0.14 nm
Magnification up to x1,200,000
TRANSMISSION ELECTRON MICROSCOPY (TEM)
Transmission electron microscopy (TEM) is commonly used to image graphene nanomaterials. It has become a fairly standard and easy-to-use instrument that is capable of imaging single layered graphene sheets.
TEM images from literature - Single sheets of oxidised graphene (GO)

TEM images from literature: Oxidised graphene crumpled sheets (GO)
Martin-Guillon et al, (2020) Carbon Volume 158, March 2020, Pages 406-417
TEM images from literature, at two magnifications (ref. 200 and 1000 nm).


DESCRIPTION OF THE IMAGE above
Figure 10 and 11: "TEM images of the agglomerated graphene sheets. The same sample region is viewed at different magnifications and clearly shows the degree of sheet formation and the tendency of the sheets to coalesce into overlapping regions. An inherent sheet-like structure is evident, showing an intricate array of long-range folds. As the images are taken in transmission mode, the relative opacity of the individual lamellae is the result of interfacial regions with overlap between individual lamellae. The lamellae extend in lateral dimensions over micrometer length scales, ranging from 100 nm to over 1,000 nm.» ( Choucair et al, 2009. Gram-scale production of graphene based on solvothermal synthesis and sonication. Nature Nanotechnology 4(1):30-3 )
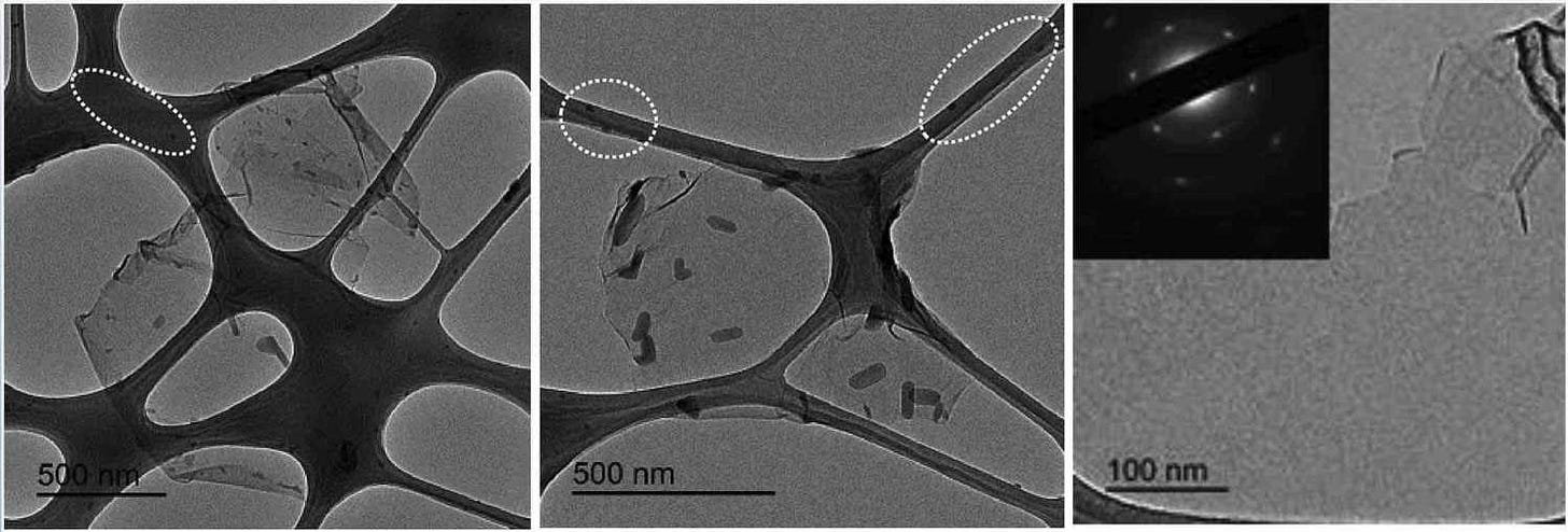
RESULTS: Comparison of problem sample (RD1) with a TEM image from literature.
RESULTS: DESCRIPTION OF THE TEM IMAGES OF THE PROBLEM SAMPLE RD1
The TEM images of the RD1 sample in general SHOW A HIGH RESEMBLANCE to literature graphene oxide images obtained by the same TEM technique, at similar magnifications. An intricate matrix or mesh of translucent flexible sheets folded on themselves can be observed, with a mixture of darker multilayer agglomerations and lighter coloured non-folded monolayers. Darker linear areas appear due to local overlapping of films and local arrangement of individual films parallel to the electron beam. Behind the mesh, a high density of unidentified light rounded and elliptical shapes appears, possibly corresponding to holes generated by mechanical forcing of the mesh during treatment. We show here 3 images with progressive magnification:
Important NOTE: For a definitive IDENTIFICATION of graphene by TEM, it is necessary to complement the observation with the structural characterisation by obtaining by EDS a characteristic ELECTRON DIFFRACTION PATTERN (as in figure b below). The pattern corresponding to graphite or graphene has hexagonal symmetry, and usually has several concentric hexagons. It has not been possible to obtain this pattern for the moment because of the scarcity of sample available for processing, and the chaotic arrangement and density of the folds.

Optical microscope
Biological Microscope CX43
Condenser set to intermediate position with 3D effect (between Bright Field (BF) and Dark Field (DF))
PLAN Fluor objectives 10x, 20x (DIC) and 40x (DIC)
Eyepiece: 10x
REDUCED GRAPHENE OXIDE PATTERN
IDENTIFICATION OF GRAPHENE OXIDE AND ITS STRUCTURAL CHARACTERISTICS BY OPTICAL MICROSCOPY
Graphene materials essentially consist of a single atomic layer. This makes absorbance-based optical microscopy observation difficult, although it is possible to acquire optical images of suspended graphene sheets under transmitted bright-field light ( Fig. a ). Oxidised graphene (GO) has a much paler colour than reduced graphene (rGO).
However, under reflective illumination, high-contrast optical imaging of graphene and even GO sheets has been reported in the literature. By modifying the angle of incidence of the illumination, through appropriate adjustment of the condenser (bright-field and dark-field), this has been the technique employed to increase the contrast in sample RD1 of the present report and to obtain images of the roughness on the surface of the sheets with 3D effect.

Literature image -Low magnification TEM
"The figure shows a TEM image of bilayer graphene with edges that tend to curl and bend slightly".
Qian, W., Hao, R., Hou, Y. et al. Solvothermal-assisted exfoliation process to produce graphene with high yield and high quality. Nano Res. 2, 706–712 (2009).
IMAGES FROM LITERATURE
LOW magnification electron microscopy SEM (a) and (b) and TRANSMISSION (TEM) (c) and (d)

«Robust Magnetized Graphene Oxide Platform for In Situ Peptide Synthesis and FRET-Based Protease Detection».
Figure 23-27: Preparation and characterisation of graphene oxide (GO) and magnetic graphene oxide (MGO). (A) Schematic of MGO synthesis procedure. (B) Optical microscopy image of MGO. (C) Magnetic hysteresis loop of MGO. (D) UV/Vis absorption spectra of GO and MGO. (E) Fourier Transform Infrared Spectroscopy (FTIR) spectra of GO and MGO.
Optical microscope comparison of sample RD1 with images of the REDUCED GRAPHENE OXIDE (rGO) pattern.
Optical images of the lamellae present in sample RD1 reveal great similarity with the lamellae exfoliated from sonication of the rGO standard. Both samples show internally rough translucent lamellae, with irregular profiles, folded on themselves and with a tendency to curl up at the edges. The shapes and dimensions of the lamellae are very variable, presenting in both samples lamellae in ribbons or bands folded on themselves (ribbons).
The following slides (26-47) show alternating images of SAMPLE PATTERN OF rGO and SAMPLE PROBLEM RD1.3
CONCLUSIONS AND RECOMMENDATIONS
1. Microscopic study of the sample provides strong evidence for the probable presence of graphene derivatives, although microscopy does not provide conclusive proof. The definitive identification of graphene, oxidised graphene (GO) or reduced oxidised graphene (rGO) in the RD1 sample requires STRUCTURAL CHARACTERISATION through the analysis of specific spectral patterns comparable to those published in the literature and those obtained from the standard sample, obtained with spectroscopic techniques such as XPS, EDS, NMR, FTIR or Raman, among others.
2. The analyses in this report correspond to a SINGLE SAMPLE, limited in total volume available for processing. It is therefore necessary to carry out a significant sampling of similar vials in order to draw conclusions that can be generalised to comparable samples, recording origin, traceability and quality control during storage and transport prior to analysis.
Disclaimer
-The results and conclusions of this report do not imply any institutional position of the University of Almeria.
-Neither the Principal Investigator nor the University of Almeria assume any responsibility for the contents and opinions of third parties on this report from its possible dissemination in social networks or media, nor for the conclusions that may be drawn from it that have not been explicitly stated in the text.
Translated from Spanish to English with DeepL translator, available at DeepL.com. Capital letters and bold text by author.
Editor’s note: This may be an outdated link.
Editor’s note: These slides seem to be missing in the published presentation. Only 3 images shown.